bat365娱乐
电话:0576-85021388/85138880
传真:0576-85021389
联系人:罗淡成17357631888
网址:
地址:浙江省临海江南街道花溪路下岙余
2X-15A型旋片式真空泵
该泵可直接从大气起动抽气,它可单独使用,也可作为增压泵、罗茨泵、气体循环冷却罗茨泵、油扩散泵、分子泵的前级泵、维持泵、钛泵的预抽泵。可供真空镀膜、真空热处理、真空冶炼、电子管、灯泡、化工、包装、吸塑成形、光伏、工矿企业的蒸馏、干燥、冷冻、过滤、理化等真空作业中。一、 特点
1、工作要求:进口压强在大于6500Pa时连续工作时间,不得超过3分钟以免喷油引起泵损。
2、工作要求:进口压强在小于1330Pa的条件下,允许长时期连续工作。
3、环境温度:真空泵一般在5℃-40℃的室温及不高于90%的相对温度的环境内使用。
4、气体类型:常温无其它混合物的清洁干燥空气,不许有含其它粉尘及水分。
5、霓虹灯制造专用真空泵,单晶炉、多晶炉、层压机配套等真空作业。
6、可单独作中真空泵用,也可与其它高真空泵组合作前级泵用。
7、一泵多抽头作业,提高效率,可节约能源。
二、技术参数

三、 抽气速率曲线图

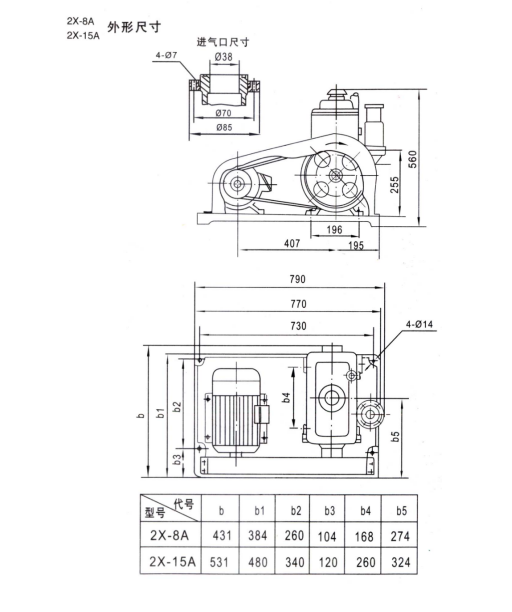
四、外形尺寸图
