真空泵厂家

产品分类

联系我们

bat365娱乐

电话:0576-85021388/85138880

传真:0576-85021389

联系人:罗淡成17357631888

网址:

地址:浙江省临海江南街道花溪路下岙余


2XZ-4B直联旋片式真空泵

2XZ-4B直联旋片式真空泵

  • 所属分类:2XZ-B系列改进型直联旋片式真空泵

  • 点击次数:
  • 发布日期:2021/06/25
  • 在线询价
详细介绍

该系列泵是适用于抽吸空气及其它一般性气体。采用油泵强制进油装置,在进气口压强≤1.33×103时,仍可连续运转的优点。它可单独使用,也可用于增压泵、扩散泵、分子泵的前级泵、维持泵、钛泵的预抽泵用,广泛适用于真空冶金、真空镀膜、真空干燥、冷冻干燥、真空脱气、真空包装、真空吸附、真空成形、食品包装、印刷、溅射、真空铸造、光伏、航空科技领域、化工、电子、冰箱、空调流水线和实验室等真空作业以及配套使用。


一、特点

配制特殊设计气镇阀,防止泵油混水,延长泵油的使用时间;

1、抽气效率高、极限真空高、使用寿命长;

2、设有自动防返油止回阀,永不返油;

4、小口径2XZ-2B、2XZ-4B、2XZ-8B真空泵专配真空干燥箱、冻干机、印刷机械;

5、可配小口径转换接头、KF接口、法兰接口;

6、当抽吸含有蒸气、颗粒、腐蚀性气体,在泵的进气口须安装辅助设备,如冷凝器、除尘器等。


二、技术参数

123.png


三、抽气速率曲线

对象 19.png


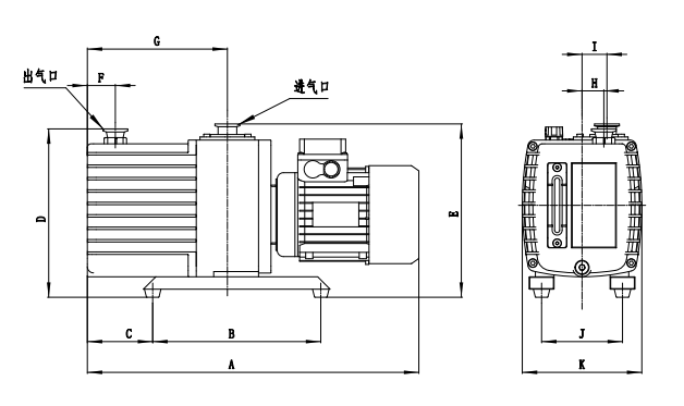
外形尺寸图

2XZ-B系列直联旋片式真空泵外形及安装尺寸

图片 4.png


3~1.jpg

1573442024664778.png

-12.png

相关标签: 2XZ-B系列改进型直联旋片式真空泵,2XZ-4B直联旋片真空泵价格,2XZ-4B直联旋片真空泵批发

最近浏览: